Подъемник двухстоечный 3.5т Ravaglioli KPS 329HEK (Италия)
В связи с нестабильной экономической ситуацией, цены и наличие могут меняться. Пожалуйста, уточняйте актуальные цены и наличие товаров у наших менеджеров. Характеристики и комплектация товара могут быть изменены производителем, изображения носят ознакомительный характер.
Описание
Электромеханический двухстоечный подъемник Ravaglioli KPS 329HEK с мотором на каждой стойке
Двухстоечный подъемник, от итальянского производителя подъемного оборудования Ravaglioli, с нижней синхронизацией кареток. Привод от электродвигателя на вторую колонну - вал с угловыми редукторами (не требуют дополнительного обслуживания). Данная версия имеет увеличенное расстояние между стойками - 2650 мм.
Два мощных электродвигателя - обеспечат плавный и быстрый подъем автомобиля.
Асимметричная конструкция лап - трехсекционные короткие и двухсекционные длинные телескопические лапы, оборудованы отверстиями для быстросъемных проставок (версия K).
Удлиненные лапы для подъема фургонов, внедорожников и легковых автомобилей.
Основная гайка изготовлена из бронзы (без использования пластика) имеет высокую устойчивостью к износу, гарантирует полную безопасность и долговечность работы.
Стальной ходовой винт высокой прочности - обеспечит долгий срок службы.
Малогабаритное основание обеспечивает легкий доступ в рабочую зону (для удобства переезда, подъемник оснащен маленькими заездными трапами).
Автоматическая система смазывания, гарантирует эффективное и постоянное нанесение смазочных материалов во время подъема и опускания кареток.
Опции
S224A3
S224A4
S370A18
S370A19
S370A17
Проставки для Fiat Ducato, Peugeot Boxer, Citroën Jumper
- S224A3 - высота 80мм, 4шт.
- S224A4 - высота 140мм, 4шт.
- S370A18 - высота 200мм, 4шт.
Опции для проставок S224A3, S224A4, S370A18
- S370A19 - рамные адаптеры, 4шт.
- S370A17 - рамные адаптеры для Mercedes Sprinter, VW LT+Crafter, 4шт.
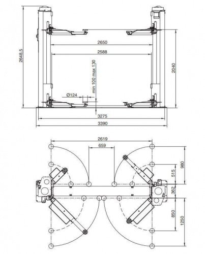
Характеристики
|
Синхронизация
|
нижняя |
|
Грузоподъемность, кг
|
3500 |
|
Высота подъема, мм
|
100-2040 |
|
Напряжение питания, В
|
220, 380 |
|
Мощность двигателя, кВт
|
2x2.6 |
|
Расстояние между стойками, мм
|
2650 |
|
Длина передних рычагов, мм
|
515-980 |
|
Длина задних рычагов, мм
|
850-1250 |
|
Тип подъемника
|
Электромеханический |
|
Общая высота изделия, мм
|
2649 |
|
Общая ширина изделия, мм
|
3390 |
|
Гарантия, мес
|
36 |



