Помпа Lavor LW 200/15 1450 SX (CL4)
22 026.80 грн.
-
+
В кошик
Купити за 1 клiк
Характеристики
Макс. тиск, бар
200
Обороти двигуна, об/хв
1450-1750
Потужність, кВт
3.6-4.4
Загальна висота виробу, мм
144
Усі характеристики
У зв'язку з нестабільною економічною ситуацією, ціни та наявність можуть змінюватися. Будь ласка, уточнюйте актуальні ціни та наявність товарів у наших менеджерів. Характеристики та комплектація товару можуть бути змінені виробником, зображення мають ознайомлювальний характер.
Опис
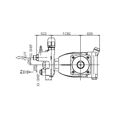
Помпа Lavor LW 200/15 із лівим валом
Переваги:
- Насосна головка з нікельованої кованої латуні, забезпечує покращену стійкість до хімічних речовин і меншу ймовірність зношування.
- Система подвійних ущільнювальних прокладок U-подібного профілю, гарантує менший знос через тертя.
- Клапани з пластиною з нержавіючої сталі та сферичним ущільненням мають високі гідродинамічні характеристики.
- Помпа оснащена зносостійкими керамічними поршнямищо забезпечує більш тривалий термін служби.
- Водяне охолодження двигуна забезпечує низьку робочу температуру.
Особливості моделі:
- Вбудований перепускний клапан низького тиску;
- Індикатор миючого засобу;
- максимальна швидкість до 15 л/хв;
- Регулятор тиску та манометр.
Характеристики
|
Артикул
|
005383 |
|
Макс. тиск, бар
|
200 |
|
Обороти двигуна, об/хв
|
1450-1750 |
|
Потужність, кВт
|
3.6-4.4 |
|
Загальна висота виробу, мм
|
144 |
|
Загальна ширина виробу, мм
|
200 |
|
Загальна довжина виробу, мм
|
228 |
|
Вага, кг
|
6.6 |
|
Гарантія, міс
|
12 |





